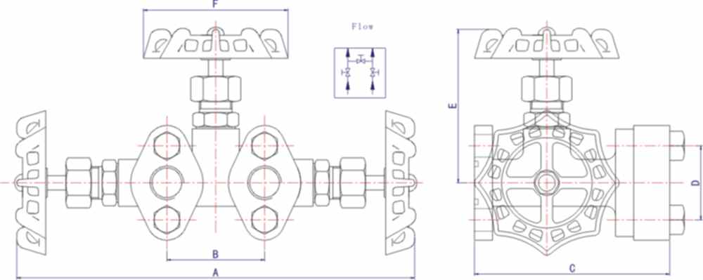
內螺紋針型閥是電站、煉油、化工裝置和儀表測量管路中的一種先進連接方式的閥門。針型閥的密封性良好,使用壽命長,即使密封面損壞后,也只需要更換易損零件,即可繼續使用。
Part name閥桿,閥蓋
Stem,Bonnet閥桿,閥瓣
Stem,disc填料
PackingJ13W-16P鉻鎳不銹鋼
Cr. Ni Stainless steel鉻鎳不銹鋼
Cr. Ni Stainless steel聚四氟乙稀,柔性石墨 PTFE,Soft graphiteJ13W-160、J13W-40優質碳鋼
High grade carbon steel鉻不銹鋼

在線咨詢
021-57488098