 
 
      更新時間:2023-02-21 09:22:41
| 產品名稱: | 100X遙控浮球閥 | 產品型號: | 100X RFLT | 
| 技術參數: | 浮球(如需特殊要求可來電咨詢) | 制造標準: | 國標GB、德國DIN、美國API、ANSI | 
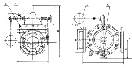
100X遙控浮球閥由主閥、針閥、球閥、浮球閥、微型過濾器等組成水力控制接管系統,調定后,自動控制液面高度。遙控浮球閥直接利用液面控制,不需要其它裝置和能源,保養簡便,液面控制準確度高,不受水壓影響,密封可靠。本系列遙控浮球閥廣泛用于高層建筑、生活區等供水管網系統的水塔、水池等設施的液面控制。
| 中文名 | 遙控浮球閥 | 適用溫度 | -5℃—115℃ | 
| 外文名 | yaokongfuqiufa | 結構 | 簡單 | 
| 應用領域 | 食品、化工、石油、電力等 | 密封 | 可靠 | 
| 閥體材料 | 灰鑄鐵、球墨鑄鐵 、鑄鋼 | 維修 | 方便 | 
當管道從進水端給水時,100X遙控浮球閥由于針閥、球閥、浮球閥是常開的,水通過微型過濾器、針閥、控制室、球閥、浮球閥進入水池,此時控制室不形成壓力,主閥開啟,水塔(池)供水。當水塔(池)的水面上升至設定高度時,浮球浮起關閉遙控浮球閥,控制室內水壓升高,推動主閥關閉,供水停止。當水面下降時,遙控浮球閥重新開啟,控制室水壓下降,主閥再次開啟繼續供水,保持液面的設定高度。

工作過程
A、開啟過程
1.在關閉位置,球體受閥桿的.機械.施壓作用,緊壓在閥座上。
2.當逆時針轉動手輪時,閥桿則反向運動,其底部角形平面使球體脫開閥座。
3.閥桿繼續提升,并與閥桿螺旋槽內的導銷相互作用,使球體開始無摩擦地旋轉。
4.直至到全開位置,閥桿提升到*限位置,球體旋轉到全開位置。
B、關閉過程
1.關閉時,順時針旋轉手輪,閥桿開始下降并使球體離開閥座開始旋轉。
2.繼續旋轉手輪,閥桿受到嵌于其上螺旋槽內的導銷的作用,使閥桿和球體同時旋轉90°。
3.快要關閉時,球體已在與閥座無接觸的情況下旋轉了90°。
4.手輪轉動的*后幾圈,閥桿底部的角形平面機械地楔向壓迫球體,使其緊密地壓在閥座上,達到完全密封。

| 零件名稱 | 零件材料 | 
| 閥體 閥蓋 | WCB | 
| 閥座 閥盤 | 銅合金 | 
| 密封圈 O型圈 | 丁腈橡膠 | 
| 閥桿 | 2Cr13 | 
| 彈簧 | 50CrVA | 
| 針型閥 | 銅合金 | 
| 球閥 | 銅合金 | 
| 浮球閥 | 銅合金 | 
| 微型過濾器 | 不銹鋼 | 

| 公稱壓(Mpa) | 殼體試驗壓力(MPa) | 密封試驗壓力(MPa) | 適用介質 | 介質溫度(℃) | 
| 1.0 | 1.5 | 1.1 | 水 | 0-80 | 
| 1.6 | 2.4 | 1.76 | ||
| 2.5 | 3.75 | 2.75 | 

| 公稱通徑 | 尺寸(mm) | |||||
| DN(mm) | L | A1 | A | H1 | H | F | 
| 20 | 150 | 130 | 325 | 179 | 212 | 116 | 
| 25 | 160 | 130 | 325 | 179 | 212 | 116 | 
| 32 | 180 | 130 | 325 | 179 | 212 | 116 | 
| 40 | 200 | 140 | 335 | 210 | 265 | 168 | 
| 50 | 203 | 140 | 335 | 210 | 265 | 168 | 
| 65 | 215 | 140 | 335 | 215 | 310 | 180 | 
| 80 | 241 | 145 | 345 | 245 | 350 | 210 | 
| 100 | 270 | 155 | 365 | 305 | 460 | 284 | 
| 125 | 300 | 165 | 385 | 365 | 520 | 310 | 
| 150 | 330 | 180 | 410 | 415 | 570 | 370 | 
| 200 | 400 | 205 | 465 | 510 | 840 | 463 | 
| 250 | 480 | 225 | 505 | 560 | 890 | 525 | 
| 300 | 550 | 245 | 545 | 658 | 1030 | 625 | 
| 350 | 622 | 275 | 595 | 696 | 1090 | 705 | 
| 400 | 685 | 285 | 625 | 735 | 1150 | 778 | 
| 450 | 750 | 285 | 625 | 735 | 1150 | 778 | 
| 500 | 811 | 410 | 780 | 750 | 1110 | 690 | 
| 600 | 935 | 456 | 888 | 850 | 1286 | 785 | 
遙控浮球閥結構比較簡單,維修時相對比較方便,密封面與球面常在閉合狀態,不易被介質沖蝕,易于操作和維修。主要用于水箱,水上專用。商用電熱開水器、熱泵、空調冷卻塔、儲水塔、儲水箱等,但是在安裝的時候要注意幾個事項如下:
1.取掉遙控浮球閥法蘭端兩邊的保護蓋,在閥完全打開的狀態下進行沖洗清潔。
2.安裝點附近的管道不可有低垂或者承受外力的現象,可以用管道支架或者支撐物來消除管線的偏離。
3.安裝遙控浮球閥前應按規定的信號(電動或氣動)進行整機測試(防止因運輸產生振動影響使用性能),合格后方可上線安裝(接線按電動執行機構線路圖)。
4.遙控浮球閥應安裝在管道的水平方向或垂直方向。
5.準備與管道連接前,須沖洗和清除干凈管道中殘存的雜質(這些物質可能會損壞閥座和球)。
6.與管道連接后,請用規定的扭矩交叉鎖緊法蘭連接螺栓。
7.在遙控浮球閥安裝期間,請不要用閥的執行機構部分作為起重的吊裝點,以避免損壞執行機構及附件。
電話:021-57488098
郵箱:6291599
地址:上海市奉賢區新民港路150號
網址:http://www.mc95.cn
 
     在線咨詢
在線咨詢 
     021-57488098
021-57488098