UPVC脈動阻尼器最先出現在上海渠工閥門管道工程有限公司。
]]>更新時間:2023-02-21 09:23:19
渠工閥門(浙江)有限公司從事〖UPVC脈動阻尼器〗的供應商,可提供脈動阻尼器結構圖,脈動阻尼器外形尺寸圖,脈動阻尼器型號,脈動阻尼器作用特點,脈動阻尼器工作原理,脈動阻尼器批發廠家,脈動阻尼器執行標準,歡迎新老客戶來電,來函,我們將為您提供貼心的服務。以下就是關于UPVC脈動阻尼器說明書的詳細概述:
UPVC脈動阻尼器又名脈動緩沖器、脈沖阻尼器,是消除管路脈動的常用元件,是計量泵必須配備的附件。渠工脈沖阻尼器能夠平滑由柱塞泵、隔膜泵等容積泵引起的管路脈動及消除系統的水錘現象,它由耐腐蝕的隔膜將氣體與管路中的液體隔離,通過氣室容積的變化平滑管路脈動,對受壓液體的能量進行儲存和釋放。該系列產品廣泛用于化工、水處理、食品飲料、電力、造紙、紡織及流體機械等行業。

1.消除水錘對系統的危害。
2.減小流速波動的峰值,保證泵出口壓力表正確顯示。
3.減少壓力波動對管路、彎頭、接頭的沖擊。
4.吸收泵的脈動,為其創造良好的工作環境并改善泵的工作性能。
5.允許系統使用更小的管徑,降低成本。
6.和背壓閥等配合使用可以使管路的壓力波動接近為零。
7.緊急或快速儲存能源,降低系統能耗。
UPVC脈動阻尼器最先出現在上海渠工閥門管道工程有限公司。
]]>管道汽水混合器最先出現在上海渠工閥門管道工程有限公司。
]]>更新時間:2023-02-21 09:23:20
渠工閥門(浙江)有限公司從事〖管道汽水混合器〗的供應商,可提供管道汽水混合器結構圖,管道汽水混合器外形尺寸圖,管道汽水混合器型號,管道汽水混合器作用特點,管道汽水混合器工作原理,管道汽水混合器批發廠家,管道汽水混合器執行標準,歡迎新老客戶來電,來函,我們將為您提供貼心的服務。以下就是關于管道汽水混合器說明書的詳細概述:
管道汽水混合器又名管道汽水混合器是一種裝設于管道上直接式加熱設備,具有熱效率高、噪聲低、安裝簡單、不占空間等特點,廣泛應用于采暖、空調及生產工藝水加熱系統。管道汽水混合器核心部件為拉法爾噴管,從喉口噴入的水流與從斜孔噴入的蒸汽充分混合后流出,生產熱水。蒸汽和水在高速流動中混合,無噪音、無振動。


| QSH | -4 | -6 | -8 | -10 | -12 | -16 | -20 | -24 | -32 | -40 | -48 |
| 額定流量(m3/h) | 1.2 | 2.5 | 4.5 | 7 | 10 | 16 | 25 | 35 | 60 | 105 | 165 |
| 設計壓力(MPa) | 1.6 | 1.6 | 1.6 | 1.6 | 1.6 | 1.6 | 1.6 | 1.6 | 1.6 | 1.6 | 1.6 |
| 凈重(kg) | 8 | 8 | 15 | 15 | 15 | 50 | 50 | 50 | 200 | 200 | 200 |
| 運行重量(kg) | 8.5 | 8.5 | 16 | 16 | 16 | 58 | 58 | 58 | 260 | 260 | 260 |
| 噪聲(dB) | ≤65 | ≤65 | ≤65 | ≤65 | ≤65 | ≤65 | ≤65 | ≤65 | ≤65 | ≤65 | ≤65 |
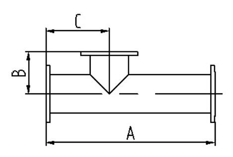
| A(mm) | 240 | 240 | 360 | 360 | 360 | 660 | 660 | 660 | 1200 | 1200 | 1200 |
| B(mm) | 105 | 105 | 130 | 130 | 130 | 170 | 170 | 170 | 300 | 300 | 300 |
| C(mm) | 105 | 105 | 130 | 130 | 130 | 220 | 220 | 220 | 450 | 450 | 450 |
| 水側法蘭 | DN40 | DN40 | DN65 | DN65 | DN65 | DN125 | DN125 | DN125 | DN250 | DN250 | DN250 |
| 汽側法蘭 | DN40 | DN40 | DN65 | DN65 | DN65 | DN125 | DN125 | DN125 | DN250 | DN250 | DN250 |
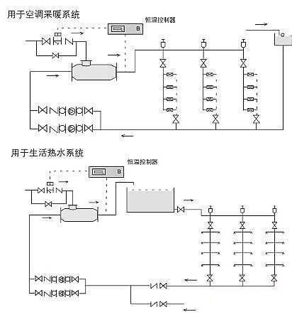
管道汽水混合器可用于空調采暖、衛生熱水的加熱系統,根據實際水流量的蒸汽耗量選用加熱器。
1、管道汽水混合器未通入蒸汽時,額定流量下,水頭損失為5mH2O,通入蒸汽后,水頭損失可按1mH2O考慮;
2、蒸汽壓力大于水壓0.05MPa以上;
3、管道汽水混合器用于生活熱水系統時應設置中間水箱,不能直接進入淋浴器,防止意外事故發生;
4、管道汽水混合器適宜安裝在水泵的吸水側。

1.汽水混合加熱器可水平安裝,也可以豎直向上安裝,蒸汽入口應向上或水平;
2.管道汽水混合器前后裝設閥門、壓力表及溫度計,以便于觀察和調節加熱器工作狀況;
3.管道汽水混合器啟動時,應先通水,再通汽;停機時,先關斷汽源,再斷水。
管道汽水混合器最先出現在上海渠工閥門管道工程有限公司。
]]>靜態混合反應器最先出現在上海渠工閥門管道工程有限公司。
]]>更新時間:2023-02-21 09:23:20
渠工閥門(浙江)有限公司從事〖靜態混合反應器〗的供應商,可提供靜態混合反應器結構圖,靜態混合反應器外形尺寸圖,靜態混合反應器型號,靜態混合反應器作用特點,靜態混合反應器工作原理,靜態混合反應器批發廠家,靜態混合反應器執行標準,歡迎新老客戶來電,來函,我們將為您提供貼心的服務。以下就是關于靜態混合反應器說明書的詳細概述:
靜態混合反應器又名管道混合器是使流體在管道內流過時,通過某一構件或混合元件的作用而達到均勻混合的目的,是一種無任何機械運動部件的混合器。工業上常采用的管道混合器有靜態擋板式、孔板式、三通式混合器等幾種型式,道混合器的材質分塑料,玻璃鋼,碳鋼和不銹鋼,采用玻璃鋼材質具有加工方便,堅固耐用耐腐蝕等優點。
1. 城市生活用水和工業給水處理中投加各種混凝劑、助凝劑進行混合作用;
2. 城市生活污水和工業廢水處理中投加各種混凝劑、助凝劑進行混合作用;
3. 給水排水、環保工程中氣水混合、投加液氯、臭氧等藥劑進行消毒處理;
4.工業廢水進行酸堿中和混合作用;
5. 幾種工業廢水進行混合均化處理。
1.混合器管徑按經濟流速進行選擇,一般按0.9~1.2m/s計算,管徑大于500mm的*大流速可達1.5m/s。有條件時,將管徑放大50~100mm,可以減少水頭損失;
2. 混合器節數基本組合按三節考慮,水頭損失約0.4~0.6m,也可根據混合介質的情況增減節數;
3. 混合器管內水壓按1.0kg/cm2考慮,也可根據實際壓力進行設備加工;

混合器安裝在架空管道時,必須用管道支架固定,埋地管道可安裝在檢查井內;
混合器安裝不受方向限制,可以水平、垂直或其他組合方式;
3.各種藥劑的投加位置,應在管道混合器前端,并大于0.3米;
4.投加藥劑的管道自行設計,可按全國給水排水標準圖進行安裝,但管內流速必須大于1.0米/秒。
1. 連續工藝,混合過程不被打斷;
2.剪切力*小不破壞混合物,如:絮凝體;
3. 混合效果為可計算控制的(CoV偏離度),應客戶需求CoV范圍*高為5%,流體在整個截面上的濃度是連續而平衡的,因此測量值具有很高的代表性,可對裝置進行有效的控制;
4. 混合距離和安裝空間非常小,且靜態混合器本身就是管道的一部分,可將其看作特殊的管道,避免了傳統的攪拌槽等的缺陷;
5.沒有運動部件,不存在磨損,幾乎沒有維護費用;
6.傳質效率很高,壓降和能量消耗非常低;
7. 不會被阻塞,安裝方式和材質可以是任何形狀、任何尺寸和任何材質;
8. 對整個工藝物流進行強制性混合,可大大降低貯槽體積,甚至可以不使用貯槽。
噴嘴式
將待混的兩種或兩種以上流體的量調整到預定配比后,以較高流速的流體將較低流速的流體帶入一根管道,待混流體匯流后經過一段距離達到混合。
渦流式
兩種流體流經一渦流室得到混合。渦流室為2個流體入口,一個出口,流體以切線方向進入渦流室。
異形管道混合器
兩種流體流經裝有促進混合的元件的管道得以混合。這種設備適用于氣體或較低粘度液體的混合,例如家用煤氣灶就是以煤氣將空氣帶入管道混合后再輸送到火嘴燃燒的。
靜態管道混合器
這種混合器由管子和內裝的促進混合的元件等組成。混合元件常用的形式有螺旋片式和混合頭式。靜態混合器結構簡單緊湊,無傳動部件,物料停留時間短(一般僅數秒),混合效率高,能耗低,安裝維護和清洗方便。它主要用作高粘度液體的混合器和氣液反應器等。
靜態混合反應器最先出現在上海渠工閥門管道工程有限公司。
]]>管道靜態混合器最先出現在上海渠工閥門管道工程有限公司。
]]>更新時間:2023-02-21 09:23:20
渠工閥門(浙江)有限公司從事〖管道靜態混合器〗的供應商,可提供管道靜態混合器結構圖,管道靜態混合器外形尺寸圖,管道靜態混合器型號,管道靜態混合器作用特點,管道靜態混合器工作原理,管道靜態混合器批發廠家,管道靜態混合器執行標準,歡迎新老客戶來電,來函,我們將為您提供貼心的服務。以下就是關于管道靜態混合器說明書的詳細概述:
管道靜態混合器是使流體在管道內流過時,通過某一構件或混合元件的作用而達到均勻混合的目的,是一種無任何機械運動部件的混合器。工業上常采用的管道混合器有靜態擋板式、孔板式、三通式混合器等幾種型式,道混合器的材質分塑料,玻璃鋼,碳鋼和不銹鋼,采用玻璃鋼材質具有加工方便,堅固耐用耐腐蝕等優點。
1. 城市生活用水和工業給水處理中投加各種混凝劑、助凝劑進行混合作用;
2. 城市生活污水和工業廢水處理中投加各種混凝劑、助凝劑進行混合作用;
3. 給水排水、環保工程中氣水混合、投加液氯、臭氧等藥劑進行消毒處理;
4.工業廢水進行酸堿中和混合作用;
5. 幾種工業廢水進行混合均化處理。
1.混合器管徑按經濟流速進行選擇,一般按0.9~1.2m/s計算,管徑大于500mm的*大流速可達1.5m/s。有條件時,將管徑放大50~100mm,可以減少水頭損失;
2. 混合器節數基本組合按三節考慮,水頭損失約0.4~0.6m,也可根據混合介質的情況增減節數;
3. 混合器管內水壓按1.0kg/cm2考慮,也可根據實際壓力進行設備加工;

混合器安裝在架空管道時,必須用管道支架固定,埋地管道可安裝在檢查井內;
混合器安裝不受方向限制,可以水平、垂直或其他組合方式;
3.各種藥劑的投加位置,應在管道混合器前端,并大于0.3米;
4.投加藥劑的管道自行設計,可按全國給水排水標準圖進行安裝,但管內流速必須大于1.0米/秒。
1. 連續工藝,混合過程不被打斷;
2.剪切力*小不破壞混合物,如:絮凝體;
3. 混合效果為可計算控制的(CoV偏離度),應客戶需求CoV范圍*高為5%,流體在整個截面上的濃度是連續而平衡的,因此測量值具有很高的代表性,可對裝置進行有效的控制;
4. 混合距離和安裝空間非常小,且靜態混合器本身就是管道的一部分,可將其看作特殊的管道,避免了傳統的攪拌槽等的缺陷;
5.沒有運動部件,不存在磨損,幾乎沒有維護費用;
6.傳質效率很高,壓降和能量消耗非常低;
7. 不會被阻塞,安裝方式和材質可以是任何形狀、任何尺寸和任何材質;
8. 對整個工藝物流進行強制性混合,可大大降低貯槽體積,甚至可以不使用貯槽。
噴嘴式
將待混的兩種或兩種以上流體的量調整到預定配比后,以較高流速的流體將較低流速的流體帶入一根管道,待混流體匯流后經過一段距離達到混合。
渦流式
兩種流體流經一渦流室得到混合。渦流室為2個流體入口,一個出口,流體以切線方向進入渦流室。
異形管道混合器
兩種流體流經裝有促進混合的元件的管道得以混合。這種設備適用于氣體或較低粘度液體的混合,例如家用煤氣灶就是以煤氣將空氣帶入管道混合后再輸送到火嘴燃燒的。
管道靜態混合器
這種混合器由管子和內裝的促進混合的元件等組成。混合元件常用的形式有螺旋片式和混合頭式。靜態混合器結構簡單緊湊,無傳動部件,物料停留時間短(一般僅數秒),混合效率高,能耗低,安裝維護和清洗方便。它主要用作高粘度液體的混合器和氣液反應器等。
管道靜態混合器最先出現在上海渠工閥門管道工程有限公司。
]]>更新時間:2023-02-21 09:23:20
渠工閥門(浙江)有限公司從事〖氣(液)動Y型塑料隔膜閥〗的供應商,可提供Y型塑料隔膜閥結構圖,Y型塑料隔膜閥外形尺寸圖,Y型塑料隔膜閥型號,Y型塑料隔膜閥作用特點,Y型塑料隔膜閥工作原理,Y型塑料隔膜閥批發廠家,Y型塑料隔膜閥執行標準,歡迎新老客戶來電,來函,我們將為您提供貼心的服務。以下就是關于氣(液)動Y型塑料隔膜閥說明書的詳細概述:
氣動、液動Y型塑料隔膜閥采用上下雙控制腔設計,控制水流*立于流體腔室,從而使閥門控制上更加靈活、可靠耐用,徹底杜*了單腔控制閥可能存在的開關不靈、不嚴的隱患。

|
氣缸和閥體材質 |
閥體及閥蓋為玻纖加強NORYL(PPO)材料 |
|
膜片材質 |
增強橡膠(三元乙丙橡膠EPDM) |
|
連接方式 |
雙由令粘接DN25-50、法蘭連接DN65-100 |
|
驅動方式 |
氣動和液動均可 |
|
適用介質 |
純水、污水、純化水、酸液、堿液等 |
|
使用溫度 |
0-55 |
|
使用壓力 |
0.15-0.8MPa |
|
公稱壓力 |
1.0MPa |
|
應用范圍 |
航酞工業、金屬處理(表面酸洗處理)、陽*處理、 電鍍處理、礦業(含硫)、鍍鋅、 |

|
參數/型號 |
Y25 |
Y32 |
Y40 |
Y50 |
Y65 |
Y80 |
Y100 |
|
閥體材料 |
Noryl |
Noryl |
Noryl |
Noryl |
Noryl |
Noryl |
增強PA |
|
接口形式 |
ABS粘接接頭 DN15-DN50 為活接連接 |
PN1.0法蘭 DN65-DN100 為法蘭連接 |
|||||
|
口徑 |
陰(DN25) |
陽(DN25) |
DN40 |
DN50 |
DN65 |
DN80 |
DN100 |
|
外形尺寸帶接頭 |
長L |
160 |
160 |
250 |
260 |
320 |
320 |
|
寬W |
85 |
85 |
110 |
110 |
180 |
220 |
|
|
高H |
130 |
130 |
170 |
170 |
280 |
350 |
|
|
凈重KG |
0.35 |
0.35 |
0.88 |
1.1 |
3.15 |
6.83 |
|
|
毛重KG |
0.41 |
0.41 |
1.0 |
1.2 |
3.4 |
7.65 |
|
工作壓力:1.0-8.0Bar(1.0-8.2kgf/cm2)
工作溫度:50℃以下
關閉閥門:將控制壓力源(水源或氣源,壓力等于或大于來水壓力)引至隔膜上控制腔,隔膜通過閥桿推動閥座,從而截斷來水關閉閥門。

開啟閥門:當隔膜上腔壓力泄壓后,來水通過自身壓力推開閥桿,從而很容易形成通腔,使流體通過。特點;
耐酸堿、耐腐蝕、耐沖擊、耐熱性之強化塑膠制品。

1、增強工程塑料制造,堅固耐用;
2、采用上下雙控制腔設計,控制水流*立于流體腔室,從而使閥門控制上更加靈活、可靠耐用,徹底杜*了單腔控制閥可能存在的開關不靈、不嚴的隱患。
3、閥體及閥蓋為玻纖加強NORYL材料,閥門強度高、使用壽命長、耐腐蝕。
4、特殊處理成型的增強橡膠隔膜片,使用壽命長,抗疲勞強度高。
5、Y形的流體通道設計降低了閥門的壓力損失,提高了水通量。
6、常開型與常閉型可輕松實現靈活轉換。
7、可增加彈簧輔助開(關)、流量限制或開關顯示等功能。
]]>ABS塑料隔膜閥最先出現在上海渠工閥門管道工程有限公司。
]]>更新時間:2023-02-21 09:23:20
渠工閥門(浙江)有限公司從事〖ABS塑料隔膜閥〗的供應商,可提供ABS塑料隔膜閥結構圖,ABS塑料隔膜閥外形尺寸圖,ABS塑料隔膜閥型號,ABS塑料隔膜閥作用特點,ABS塑料隔膜閥工作原理,ABS塑料隔膜閥批發廠家,ABS塑料隔膜閥執行標準,歡迎新老客戶來電,來函,我們將為您提供貼心的服務。以下就是關于ABS塑料隔膜閥說明書的詳細概述:
ABS塑料隔膜閥常用于化工、輕工、礦冶、油田、電子、制藥、釀造、食品加工、建筑、民用上下水等領域,起輸送各種腐蝕性介質和高純介質的作用,尤其適用于水處理及環保系統。
材質:ABS(丙烯腈-丁二烯-苯乙烯)無毒無味,內壁光滑,轉彎處呈圓弧形。
ABS塑料隔膜閥安裝采用了承插式聯結,用溶劑粘合劑密封。相比其他材質管材使用壽命更長,更安全!

ABS塑料隔膜閥流動摩擦力小,大大減小流體阻力和泵的馬力,抗沖擊性能好,有良好的機械強度和較高的;中擊韌性,在遭受突然襲擊時僅發生韌性變形。
ABS塑料隔膜閥常用于化工、輕工、礦冶、油田、電子、制藥、釀造、食品加工、建筑、民用上下水等領域,起輸送各種腐蝕性介質和高純介質的作用,尤其適用于水處理及環保系統。本產品耐腐蝕、耐酸堿,可替代不銹鋼、襯膠、鍍鋅管,既耐用,又省錢。
(1)工作壓力高:在常溫2OC情況下壓力為1.OMpa。
(2)抗沖擊性好:在遭受突然襲擊時僅產生韌性變形。
(3)本產品化學性能穩定、無毒、無味,完全符合制藥、食品等行業的衛生安全要求。
(4)流體阻力小,其內壁光滑,轉彎處呈圓弧形,因而流動磨擦力小,大大減少了系統流體阻力和泵的馬力。
(5)使用溫度范圍大:其使用的溫度范圍為-2O℃~+70℃。
(6)使用壽命長:本產品在室內一般可用50年之久,如埋在地下或水中壽命會更長,且無明顯腐蝕。
(7)安裝簡便密封性好:本產品安裝采用承插式連接溶劑粘接密封,施工簡便,固化速度快、粘合強度高,避免了一般管道存在的跑、冒、滴、漏的現象。
(8)重量輕,節省投資:ABS的重量是鋼鐵的1/7,因而減輕了結構重量,減輕了工人勞動強度,并降低了原材料的消耗,可大大節省工程投資。
UPVC硬聚氯乙烯溫度-10°C~80C
CPVC氯化聚氯乙烯溫度-20°C~95°C
RPP 增強聚丙稀溫度-14°C~90°C
PVDF聚偏二氟乙烯溫度-40°C~120°C
PPH 均聚型聚丙烯 溫度-14°C~95°C
ABS 丙烯腈-丁二烯-苯乙烯溫度-20°C~70°C
ABS塑料隔膜閥最先出現在上海渠工閥門管道工程有限公司。
]]>更新時間:2023-02-21 09:23:20
渠工閥門(浙江)有限公司從事〖UPVC承插塑料隔膜閥G61F〗的供應商,可提供承插塑料隔膜閥結構圖,承插塑料隔膜閥外形尺寸圖,承插塑料隔膜閥型號,承插塑料隔膜閥作用特點,承插塑料隔膜閥工作原理,承插塑料隔膜閥批發廠家,承插塑料隔膜閥執行標準,歡迎新老客戶來電,來函,我們將為您提供貼心的服務。以下就是關于UPVC承插塑料隔膜閥G61F說明書的詳細概述:
UPVC承插塑料隔膜閥G61F適用于腐蝕介質的輸送及截流、流量的調節,UPVC材質所能承受的溫度-20℃~80℃。過流部件彩UPVC注塑件組裝而成,耐腐蝕性能優良,操作方便,體量輕,能代替不銹鋼閥門。密封件膜片采用F46或PFA制造,耐腐蝕性能與F4相當.
1.適用于腐蝕介質的輸送及截流、流量的調節,UPVC材質所能承受的溫度-20℃~80℃。
2.過流部件彩UPVC注塑件組裝而成,耐腐蝕性能優良,操作方便,體量輕,能代替不銹鋼閥門。
3.密封件膜片采用F46或PFA制造,耐腐蝕性能與F4相當。
4.采用螺桿升降結構,啟閉力矩大,平穩性好。

1.兩端法蘭與管路連接時,要均勻擰緊螺栓,防止法蘭變形,造成泄漏。
2.順時針方向旋手柄為關閉,反之開啟。
3.根據指示器位置可判斷開啟程度。
]]>更新時間:2023-02-21 09:23:20
渠工閥門浙江)有限公司從事〖塑料隔膜閥G41F-10U〗的供應商,可提供UPVC塑料隔膜閥結構圖,UPVC塑料隔膜閥外形尺寸圖,UPVC塑料隔膜閥型號,UPVC塑料隔膜閥作用特點,UPVC塑料隔膜閥工作原理,UPVC塑料隔膜閥批發廠家,UPVC塑料隔膜閥執行標準,歡迎新老客戶來電,來函,我們將為您提供貼心的服務。以下就是關于塑料隔膜閥G41F-10U說明書的詳細概述:
UPVC塑料隔膜閥G41F-10U外型結構緊湊美觀,本體重量輕容易安裝,耐腐蝕性強,應用范圍廣※ 材質衛生無毒,耐磨損、容易拆卸,維護簡單易行,適用流體:水、空氣、油類、腐蝕性化
1.適用于腐蝕介質的輸送及截流、流量的調節,根據材質不同使用溫度-14℃~100℃、-40℃~120℃。
2.過流部件彩RPP或PVDF注塑件組裝而成,耐腐蝕性能優良,操作方便,體量輕,能代替不銹鋼閥門。
3.密封件膜片采用F46或PFA制造,耐腐蝕性能與F4相當。
4.采用螺桿升降結構,啟閉力矩大,平穩性好。
1.兩端法蘭與管路連接時,要均勻擰緊螺栓,防止法蘭變形,造成泄漏。
2.順時針方向旋手柄為關閉,反之開啟。
3.根據指示器位置可判斷開啟程度。
特點是隔膜把下部閥體內腔與上部閥蓋內腔隔開,使位于隔膜上方的閥桿、閥瓣等零件不受介質腐蝕,省去了填料密封結構,且不會產生介質外漏
1、采用橡膠或塑料等軟質密封制作的隔膜,密封性較好。由于隔膜為易損件,應視介質特性而定期更換。
2、受隔膜材料限制,隔膜閥適用于低壓和溫度相對不高的場合。
3、隔膜閥按結構形式可分為:屋式、直流式、截止式、直通式、閘板式和直角式六種;連接形式通常為法蘭連接;按驅動方式可分為手動、電動和氣動三種,其中氣動驅動又分為常開式、常閉式和往復式三種。
4.一般不宜用于溫度高于60度及輸送有機溶劑和強氧化介質的管路中,也不宜在較高壓力的管路中使用

UPVC 硬聚氯乙烯 溫度-10 °C~70 °C
CPVC 氯化聚氯乙烯 溫度-40 °C~95 °C
RPP 增強聚丙稀 溫度-20 °C~90 °C
PVDF 聚偏二氟乙烯 溫度40 °C~120 °C
]]>更新時間:2023-02-21 09:23:20
渠工閥門(浙江)有限公司從事〖塑料隔膜閥G41F-10V〗的供應商,可提供CPVC塑料隔膜閥結構圖,CPVC塑料隔膜閥外形尺寸圖,CPVC塑料隔膜閥型號,CPVC塑料隔膜閥作用特點,CPVC塑料隔膜閥工作原理,CPVC塑料隔膜閥批發廠家,CPVC塑料隔膜閥執行標準,歡迎新老客戶來電,來函,我們將為您提供貼心的服務。以下就是關于塑料隔膜閥G41F-10V說明書的詳細概述:
CPVC塑料隔膜閥G41F-10V適用于腐蝕介質的輸送及截流、流量的調節,根據材質不同使用溫度-14℃~100℃、-40℃~120℃。過流部件彩RPP或PVDF注塑件組裝而成,耐腐蝕性能優良,操作方便,體量輕,能代替不銹鋼閥門。
1.適用于腐蝕介質的輸送及截流、流量的調節,根據材質不同使用溫度-14℃~100℃、-40℃~120℃。
2.過流部件采用CPVC注塑件組裝而成,耐腐蝕性能優良,操作方便,體量輕,能代替不銹鋼閥門。
3.密封件膜片采用F46或PFA制造,耐腐蝕性能與F4相當。
4.采用螺桿升降結構,啟閉力矩大,平穩性好。
1.兩端法蘭與管路連接時,要均勻擰緊螺栓,防止法蘭變形,造成泄漏。
2.順時針方向旋手柄為關閉,反之開啟。
3.根據指示器位置可判斷開啟程度。
特點是隔膜把下部閥體內腔與上部閥蓋內腔隔開,使位于隔膜上方的閥桿、閥瓣等零件不受介質腐蝕,省去了填料密封結構,且不會產生介質外漏
1、采用橡膠或塑料等軟質密封制作的隔膜,密封性較好。由于隔膜為易損件,應視介質特性而定期更換。
2、受隔膜材料限制,隔膜閥適用于低壓和溫度相對不高的場合。
3、塑料抗腐蝕隔膜閥按結構形式可分為:屋式、直流式、截止式、直通式、閘板式和直角式六種;連接形式通常為法蘭連接;按驅動方式可分為手動、電動和氣動三種,其中氣動驅動又分為常開式、常閉式和往復式三種。
4.一般不宜用于溫度高于60度及輸送有機溶劑和強氧化介質的管路中,也不宜在較高壓力的管路中使用

UPVC 硬聚氯乙烯 溫度-10 °C~70 °C
CPVC 氯化聚氯乙烯 溫度-40 °C~95 °C
RPP 增強聚丙稀 溫度-20 °C~90 °C
PVDF 聚偏二氟乙烯 溫度40 °C~120 °C
]]>更新時間:2023-02-21 09:23:20
渠工閥門(浙江)有限公司從事〖塑料隔膜閥G41F-10F〗的供應商,可提供PVDF塑料隔膜閥結構圖,PVDF塑料隔膜閥外形尺寸圖,PVDF塑料隔膜閥型號,PVDF塑料隔膜閥作用特點,PVDF塑料隔膜閥工作原理,PVDF塑料隔膜閥批發廠家,PVDF塑料隔膜閥執行標準,歡迎新老客戶來電,來函,我們將為您提供貼心的服務。以下就是關于塑料隔膜閥G41F-10F說明書的詳細概述:
PVDF塑料隔膜閥G41F-10F外型結構緊湊美觀,本體重量輕容易安裝,耐腐蝕性強,應用范圍廣,材質衛生無毒,耐磨損、容易拆卸,維護簡單易行
1.適用于腐蝕介質的輸送及截流、流量的調節,根據材質不同使用溫度-14℃~100℃、-40℃~120℃。
2.過流部件彩RPP或PVDF注塑件組裝而成,耐腐蝕性能優良,操作方便,體量輕,能代替不銹鋼閥門。
3.密封件膜片采用F46或PFA制造,耐腐蝕性能與F4相當。
4.采用螺桿升降結構,啟閉力矩大,平穩性好。
1.兩端法蘭與管路連接時,要均勻擰緊螺栓,防止法蘭變形,造成泄漏。
2.順時針方向旋手柄為關閉,反之開啟。
3.根據指示器位置可判斷開啟程度。

突出特點是隔膜把下部閥體內腔與上部閥蓋內腔隔開,使位于隔膜上方的閥桿、閥瓣等零件不受介質腐蝕,省去了填料密封結構,且不會產生介質外漏
1、采用橡膠或塑料等軟質密封制作的隔膜,密封性較好。由于隔膜為易損件,應視介質特性而定期更換。
2、受隔膜材料限制,隔膜閥適用于低壓和溫度相對不高的場合。
3、按結構形式可分為:屋式、直流式、截止式、直通式、閘板式和直角式六種;連接形式通常為法蘭連接;按驅動方式可分為手動、電動和氣動三種,其中氣動驅動又分為常開式、常閉式和往復式三種。
4.一般不宜用于溫度高于60度及輸送有機溶劑和強氧化介質的管路中,也不宜在較高壓力的管路中使用
UPVC 硬聚氯乙烯 溫度-10 °C~70 °C
CPVC 氯化聚氯乙烯 溫度-40 °C~95 °C
RPP 增強聚丙稀 溫度-20 °C~90 °C
PVDF 聚偏二氟乙烯 溫度40 °C~120 °C
]]>